Actividades

Foto Portada grupo Ambiente sierras Ambiente conteniental 1 Ambiente continental 2
Interaccción suelo-biota Ambiente sierras Ambiente conteniental Ambiente continental
Ambiente costero Ambiente costero-Marisma Uso de suelo agrícola Uso de suelo hortícola
Ambiente costero Ambiente costero-Marisma Uso de suelo agrícola Uso de suelo hortícola
Uso de suelo ganadero Uso de suelo forestal Estudio de suelos-calicata Estudio de suelos-observación perfil
Uso de suelo ganadero Uso de suelo forestal Estudio de suelos-calicata Estudio de suelos-observación perfil
Estudio de suelos-Hz A Estudio de suelos-propiedades físicas Estudio de suelos-micromorfología Estudio de suelos-ensayos
Estudio de suelos-Hz A Estudio de suelos-propiedades físicas Estudio de suelos-micromorfología Estudio de suelos-ensayos
Estudio de vegetación-recolección Estudio de vegetación-recolección Estudio de vegetación-recolección Estudio de vegetación-cobertura
Estudio de vegetación-recolección Estudio de vegetación-recolección Estudio de vegetación-recolección Estudio de vegetación-cobertura
Estudio de aguas-muestreo Estudio de aguas-medición parámetros Estudio de aguas-medición parámetros Agregados del suelo
Estudio de aguas-muestreo Estudio de aguas-medición parámetros Estudio de aguas-medición parámetros Agregados del suelo
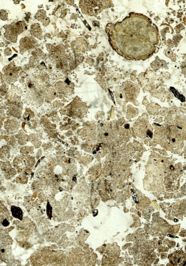
Lámina delgada micromorfología Mesofauna
Lámina delgada micromorfología Fitolitos en suelos Macrofauna Mesofauna
Vegetación Vegetación Fitolitos en plantas Laboratorio-tamizado
Vegetación Vegetación Fitolitos en plantas Laboratorio-tamizado
Laboratorio-materia orgánica Laboratorio-pH Laboratorio-Si en solución Laboratorio-Calcinado de plantas
Laboratorio-materia orgánica Laboratorio-pH Laboratorio-Si en solución Laboratorio-Calcinado de plantas
Equipo de trabajo 1 Equipo de trabajo 4 Equipo de trabajo 3 Equipo de trabajo 4
Equipo de trabajo Equipo de trabajo Equipo de trabajo Equipo de trabajo